欢迎光临【上海华石机械】官方网站
全国免费服务热线:
13646290806
首页
关于我们
关于CYROXTH
企业文化
产品中心
常见问题
资料下载
在线购买
联系我们
PRODUCTS
产品中心
CY系列轴向柱塞泵
A系列柱塞泵
油泵电机组
柱塞泵配件
油泵站配套系统
其他产品
当前位置:
首页
/
产品中心
/ PCY14-1B恒压变量轴向柱塞泵
返回
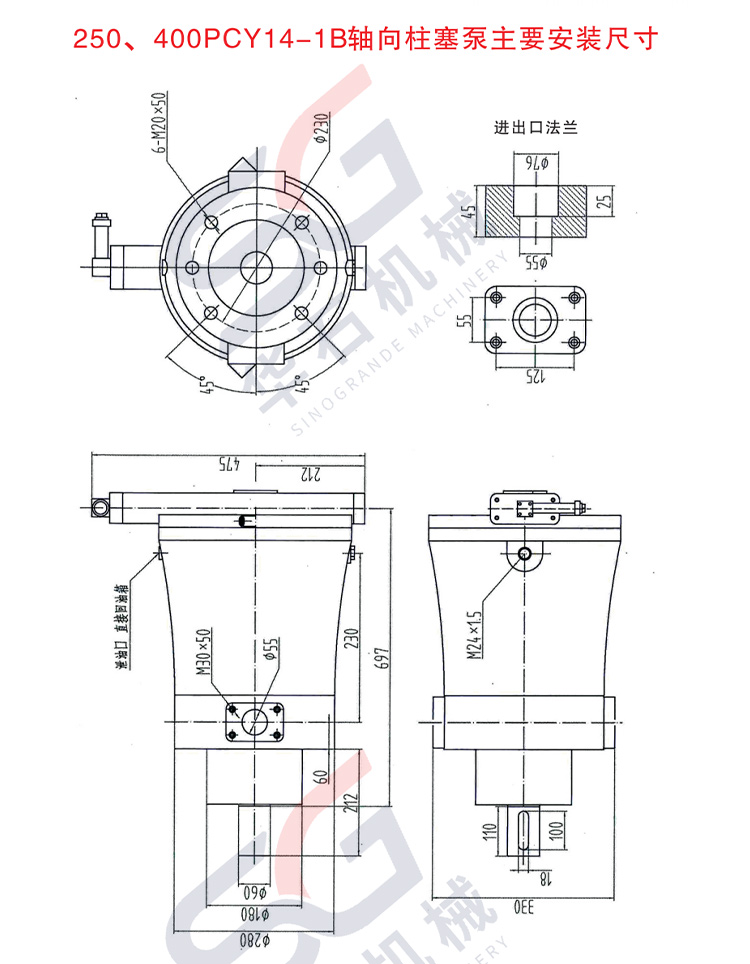
PCY14-1B恒压变量轴向柱塞泵